DB/DBW先導式溢流閥
瀏覽次數:88次
分享產品溢流閥通過閥口的溢流,使被控制系統或回路的壓力維持恒定,從而實現穩壓、調壓、或限壓作用。對溢流閥的主要要求是:調壓范圍大,調壓偏差小,壓力振擺小,動作靈敏,過流能力大,噪聲小。
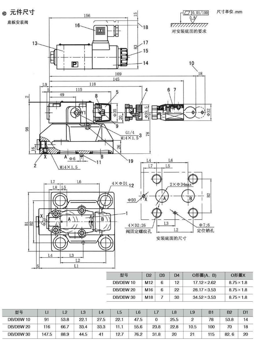
用于底板安裝,安裝面按DIN24340 E型,ISO 6264和CETOP-RP 121 H,用于螺紋連接,用于油路塊安裝。4種調整元件:①旋鈕②帶護罩的調節螺栓③帶刻度的有鎖旋鈕④帶刻度旋鈕。5種設定壓力,借助于安裝在其上的電磁方向閥操作卸荷。可選的切換時間延遲(僅DBW型)。
外形尺寸:

工作參數:
.jpg)